欢迎您的来电
13333079818
动态分类
DYNAMIC CATEGORY16
2015-10
煤粉锅炉尾气静电除尘器改造终设计方案(三
3.1 建厂条件和设计界限 3.1.1 厂址自然条件 地理条件 河北省邯郸市武安市 其他待河北亿丰热电有限公司另行提供。 3.1.2 气象条件 环境温度: 夏季+33.4℃ 冬季-15℃ 相对...
10
2015-10
煤粉锅炉尾气静电除尘器改造终设计方案(二
工程范围及设计指标 2.1 工程分交内容 2.1.1我公司负责静电除尘器的内部拆除和袋式除尘器设计、制造、安装、调试等,工程为交钥匙工程; 2.1.2新增设备部分保温、外观...
10
2015-10
煤粉锅炉尾气静电除尘器改造终设计方案(简
1 、简介 1.1 前言 随着经济的发展,人民生活水平的日益提高,对大气质量控制要求越来越严,同时也对除尘设备的性能及性提出了高的要求。我国工业使用的除...
03
2015-10
电除尘改造为电-袋复合除尘器后的荷电粉尘有如
10.3.1扩散作用。由于粉尘带有同种电荷,因而相互排斥在后级的空间扩散,形成均匀分布的气溶胶悬浮状态,使得流经后级布袋各室浓度均匀,流速均匀。 10.3.2吸附和排...
03
2015-10
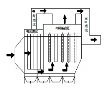
电袋复合型除尘器的工作原理
粉尘在电场中充分荷电除去粗尘,也就是说除去粒径较大的,剩下荷电不充分但可在电场中被极化进入滤袋除尘,而覆膜滤袋对微细粉尘有很高的除尘效率。因此可以结合...








