欢迎您的来电
13333079818
产品分类
PRODUCT CATEGORY碳素厂MC-Ⅱ型脉冲袋式除尘器


产品TAG


简介
碳素厂MC-Ⅱ型脉冲袋式除尘器是在MC—Ⅰ型的基础上,改进的新型脉冲袋式除尘器。为了进一步完善MC—Ⅰ型脉冲袋式除尘器,将原进行了修改,改后的MC—Ⅱ型脉冲袋式除尘器保留了MC—Ⅰ型的净化,处体能力大,性能稳定,操作方便、滤袋寿命长、维修工作量小等优点。而且从结构上和脉冲阀上进行改革,解决了露天安放和压缩空气压力低的问题。适用机械、冶金、橡胶、面粉、化工、制药、碳素、建材、矿山等单位。
一、特点:
1、MC-II型脉冲布袋碳素厂除尘器在保留了MC-I型除尘器优点的基础上,采用了低阻力的脉冲阀,使除尘器的控制系统和过滤袋等的寿命比MC-I型除尘器延长一倍以上,减少了维修工作量。
2、清灰用压缩空气从原来的5-7kg/cm型除尘器,降到现在的3kg/cm2压力,但清灰效果仍可达到5-7kg/cm的压力效果,从而扩大了使用范围。
3、由于结构上的改进,增强了设备的严密性,漏风量能够低于10%,进一步提高了产品质量要求。
4、改革了揭盖装置。滤袋固定方法,为设备检修和维护了劳动条件。
5、喷吹装置增加了防护罩。盖板结构采用了防雨措施。使除尘器在露天放置不需另设防雨棚,减少了建筑投资。
6、清灰部分原来搅龙去掉,装置了XLD型自动回转排灰阀组合关风器,扩大了清灰使用效果,减少了维修,封密严,排灰快。
二、结构原理:
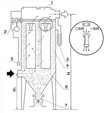
碳素厂MC-II型脉冲布袋除尘器的结构如图所示,它主要由五部分组成。
上箱体:由可掀起的盖板和出风口组成。
中箱体:有多孔板、滤袋装置和文氏管组成。
下箱体:有进风口、灰斗和检查门组成。
排灰系统:由减速装置和输灰、排灰装置组成。
喷吹系统:由控制仪、控制阀、脉冲阀、喷吹管、气包和防护装置组成。
控制仪采用本厂生产的JMK-2型脉冲控制仪,WMK-4型无触点控制仪,
三、碳素厂MC-II型脉冲布袋除尘器的工作原理和技术性能
1、除尘器工作原理:
含尘气体由除尘器进风口进入中、下箱体、通过滤袋进入上箱体的过程中,由于滤袋的各种效应作用将粉尘气体分离开,粉尘被吸附在滤袋上,而气体穿过滤袋由文氏管进入上箱体,从出风口排出。含尘气体通过滤袋的净化过程中,随着时间的增加,积在滤袋上的粉尘越来越多,因而是滤袋的阻力逐渐增加,通过滤袋的气体量逐渐减少,为了是除尘器能正常工作,所以要把阻力控制在限定范围内(一般为120-150毫米水柱).这样当阻力升到限定范围的时候,有控制仪就要发出指令按顺序触发各控制阀开启脉冲阀,气包内的压缩空气由喷吹管各孔经文氏管喷射到各对应的滤袋内,滤袋在气流瞬间反向作用下急剧膨胀,使积在滤袋表面的粉尘脱落,滤袋。被掉的粉尘落入灰斗经排灰系统排出机体,由于积附在滤袋上的粉尘定期,被净化的气体正常通过,除尘器正常工作。
技术性能
碳素厂MC-Ⅱ型脉冲袋式除尘器是在MC—Ⅰ型的基础上,改进的新型脉冲袋式除尘器。为了进一步完善MC—Ⅰ型脉冲袋式除尘器,将原进行了修改,改后的MC—Ⅱ型脉冲袋式除尘器保留了MC—Ⅰ型的净化,处体能力大,性能稳定,操作方便、滤袋寿命长、维修工作量小等优点。而且从结构上和脉冲阀上进行改革,解决了露天安放和压缩空气压力低的问题。适用机械、冶金、橡胶、面粉、化工、制药、碳素、建材、矿山等单位。
一、特点:
1、MC-II型脉冲布袋碳素厂除尘器在保留了MC-I型除尘器优点的基础上,采用了低阻力的脉冲阀,使除尘器的控制系统和过滤袋等的寿命比MC-I型除尘器延长一倍以上,减少了维修工作量。
2、清灰用压缩空气从原来的5-7kg/cm型除尘器,降到现在的3kg/cm2压力,但清灰效果仍可达到5-7kg/cm的压力效果,从而扩大了使用范围。
3、由于结构上的改进,增强了设备的严密性,漏风量能够低于10%,进一步提高了产品质量要求。
4、改革了揭盖装置。滤袋固定方法,为设备检修和维护了劳动条件。
5、喷吹装置增加了防护罩。盖板结构采用了防雨措施。使除尘器在露天放置不需另设防雨棚,减少了建筑投资。
6、清灰部分原来搅龙去掉,装置了XLD型自动回转排灰阀组合关风器,扩大了清灰使用效果,减少了维修,封密严,排灰快。
二、结构原理:
碳素厂MC-II型脉冲布袋除尘器的结构如图所示,它主要由五部分组成。
上箱体:由可掀起的盖板和出风口组成。
中箱体:有多孔板、滤袋装置和文氏管组成。
下箱体:有进风口、灰斗和检查门组成。
排灰系统:由减速装置和输灰、排灰装置组成。
喷吹系统:由控制仪、控制阀、脉冲阀、喷吹管、气包和防护装置组成。
控制仪采用本厂生产的JMK-2型脉冲控制仪,WMK-4型无触点控制仪,
三、碳素厂MC-II型脉冲布袋除尘器的工作原理和技术性能
1、除尘器工作原理:
含尘气体由除尘器进风口进入中、下箱体、通过滤袋进入上箱体的过程中,由于滤袋的各种效应作用将粉尘气体分离开,粉尘被吸附在滤袋上,而气体穿过滤袋由文氏管进入上箱体,从出风口排出。含尘气体通过滤袋的净化过程中,随着时间的增加,积在滤袋上的粉尘越来越多,因而是滤袋的阻力逐渐增加,通过滤袋的气体量逐渐减少,为了是除尘器能正常工作,所以要把阻力控制在限定范围内(一般为120-150毫米水柱).这样当阻力升到限定范围的时候,有控制仪就要发出指令按顺序触发各控制阀开启脉冲阀,气包内的压缩空气由喷吹管各孔经文氏管喷射到各对应的滤袋内,滤袋在气流瞬间反向作用下急剧膨胀,使积在滤袋表面的粉尘脱落,滤袋。被掉的粉尘落入灰斗经排灰系统排出机体,由于积附在滤袋上的粉尘定期,被净化的气体正常通过,除尘器正常工作。
技术性能
|
型号规格
|
过滤面积m2
|
含尘浓度g/m3
|
过滤风速m/min
|
过滤风量m3/n
|
阻力H2omm
|
效率%
|
外型尺寸长×宽×高(mm)
|
重量(Kg)
|
|
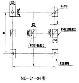
MC24-Ⅱ
|
18
|
<15
|
2-4
|
2160-4320
|
120-150
|
99.5
|
1090×1678×3667
|
1133
|
|
MC36-Ⅱ
|
27
|
<15
|
2-4
|
3240-6480
|
120-150
|
99.5
|
1490×1678×3667
|
1485
|
|
MC48-Ⅱ
|
36
|
<15
|
2-4
|
4320-8640
|
120-150
|
99.5
|
1890×1678×3667
|
1495
|
|
MC60-Ⅱ
|
45
|
<15
|
2-4
|
5400-10800
|
120-150
|
99.5
|
2290×1678×3667
|
1730
|
|
MC72-Ⅱ
|
54
|
<15
|
2-4
|
6480-12960
|
120-150
|
99.5
|
2690×1678×3667
|
1950
|
|
MC84-Ⅱ
|
63
|
<15
|
2-4
|
7560-15120
|
120-150
|
99.5
|
3090×1678×3667
|
2230
|
|
MC96-Ⅱ
|
72
|
<15
|
2-4
|
8640-17280
|
120-150
|
99.5
|
3690×1678×3667
|
2400
|
|
MC120-Ⅱ
|
99
|
<15
|
2-4
|
10800-21600 |
120-150
|
99.5
|
4450×1678×3667
|
2870
|
![]() |
|
![]() |
![]() |
![]() |
|
![]() |
|








