欢迎您的来电
13333079818
产品分类
PRODUCT CATEGORYUF小型单机袋除尘器


产品TAG


UF-STD、FM、FB型系列单机袋收尘器
简介
单机袋收尘器(Unl-Filter)系引进美国富乐公司,具有八十年代技术水平的小型袋收尘器。这种小型袋式收尘器经济实用;结构简单紧凑,安装容易,维修方便(内滤式)主要用于库顶、库底、仓顶及各种输送机等排放和扬尘点收尘,该机采用涤纶布袋,入口温度<120℃除尘效果达99.8%。如有用途可提供耐温,蚀滤料的单机袋收尘器。
型号说明
UF(STD)/(FM)/(FB)-m-n
U:单机(Unit)
F:收尘器(FUtey)
(STD)/(FM)/(FB):安装型号
m:规格号
n:多机组合时的单元数
UF(STD)/(FM)/(FB)-m-n
U:单机(Unit)
F:收尘器(FUtey)
(STD)/(FM)/(FB):安装型号
m:规格号
n:多机组合时的单元数
技术性能

![]() |
![]() |
![]() |
![]() |
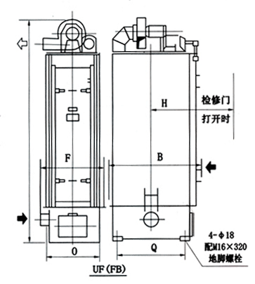
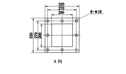
主要尺寸:








