欢迎您的来电
13333079818
动态分类
DYNAMIC CATEGORY电袋复合型除尘器的工作原理
2015-10-03 08:34:10
文章摘要:
粉尘在电场中充分荷电除去粗尘,也就是说除去粒径较大的,剩下荷电不充分但可在电场中被极化进入滤袋除尘,而覆膜滤袋对微细粉尘有很高的除尘效率。因此可以结合
粉尘在电场中充分荷电除去粗尘,也就是说除去粒径较大的,剩下荷电不充分但可在电场中被极化进入滤袋除尘,而覆膜滤袋对微细粉尘有很高的除尘效率。因此可以结合各种除尘机理使不同粒径粉尘达到佳收集效果。以期让烟尘达到“零排放”。由此可见,电袋除尘器的关键技术在于:
(1)如何确定电除尘和布袋除尘的除尘负荷的合理分担,实现在同一除尘器内同时满足电除尘和布袋除尘的运行条件,以电袋复合除尘器的稳定经济运行。
(2)如何前级电场的稳定运行,前级电场的收尘效率对后级布袋的粉尘负荷有很大影响,前级电场收集下越多的粉尘,流到后级布袋的粉尘越少,同时,粉尘荷电越充分,越有利于整台除尘器的性能,并且前级电场稳定的运行特性至关重要。
(3)如何优化电场与布袋之间的气路联接和气流分布,实现布袋除尘区各个滤袋流量和粉尘负荷均布的同时,提高布袋过滤风速。
(4)如何地降低电袋复合除尘器的系统阻力,研究电袋除尘的稳定经济运行的关键技术,包括清灰和温控等问题。
(5)除尘改造为电-袋复合型除尘器的形式为串联式,前级为纯电除尘电场,后级为纯袋除尘结构,改造后电除和袋除区域划分清楚,应用技术成熟,改造技术已应用。
改造后保留的第1电场的电除尘器,能收集烟尘中大部分粉尘,理论收尘效率在80%左右,并使流经该电场未被除去到达后级除尘器的微细粉尘荷电;这就是电-袋复合除尘器的预除尘作用。
后级设置布袋除尘器,使含尘浓度低并预荷电的烟气通过滤袋而被收集下来,由粉尘荷电作用使粉尘同极相斥,使粉尘排序规则有序,从而提高布袋表面分层的孔隙率,提高袋式除尘器的清灰效率,延长滤袋的使用寿命;又有部分细粉尘荷电后异性相互凝并,减缓了细微粉尘攒入袋层,防止布袋被粉尘渗透,降低排尘浓度;总之,粉尘荷电后了滤袋的透气性,降低了设备运行阻力,从而好的节能降耗。
后级布袋除尘器的基本工作过程是:锅炉的烟气因引风机的作用被吸入和通过1级电除尘器后,在负压的作用下均匀而缓慢地穿过滤袋。烟气在穿过滤袋时,固体尘粒被捕集在滤袋的外侧,过滤后的洁净气体经净气室汇集到排风烟道后外排。使用脉冲压缩空气将已捕集在滤袋上的灰尘从滤袋上剥落并使之落入底部的灰斗内,再通过输送设备把灰尘从灰斗内输送出。
随着过滤工况的不断进行,附着于滤袋外表面的粉尘不断增多,气流通过的阻力也不断加大,当阻力达到值时,除尘器的通风能力将会明显下降。为了除尘器除尘效果稳定,我们设置了定时、定压两种清灰系统,该系统的运行由可编程控器(PLC)来完成,整个过程如下:
PLC按的时间间隔发出控制信号,控制脉冲阀开启,压缩气体经喷吹机构逆向进入各滤袋,压缩空气喷射形成二次引流,大量空气随压缩空气进入滤袋,改变滤袋内外的压差,从而滤袋外表面的粉尘,并经过的沉降时间,使清下的灰尘落入灰斗,通过输灰机构派出。
在清灰过程中,一个滤袋的喷吹时间称为清灰时间;全部滤袋完成一个清灰循环的时间为清灰周期,调整清灰时间和清灰周期,可使除尘器阻力保持在限定范围内。改造后的袋式除尘器可设两种清灰方式,其中,定压清灰具有优先权:
定时清灰:是根据设定时间,各室自动轮流清灰;
定压(定阻)清灰:是通过除尘器净、尘气室的压差(运行阻力)来控制PLC,从而进行清灰转换,过程如下:
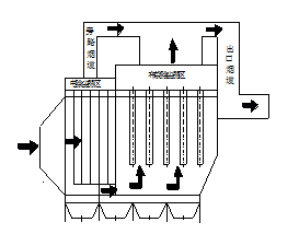
运行压差→差压变送器→(差压仪表)→PLC→脉冲阀→清灰。除尘器结构如下图:
(1)如何确定电除尘和布袋除尘的除尘负荷的合理分担,实现在同一除尘器内同时满足电除尘和布袋除尘的运行条件,以电袋复合除尘器的稳定经济运行。
(2)如何前级电场的稳定运行,前级电场的收尘效率对后级布袋的粉尘负荷有很大影响,前级电场收集下越多的粉尘,流到后级布袋的粉尘越少,同时,粉尘荷电越充分,越有利于整台除尘器的性能,并且前级电场稳定的运行特性至关重要。
(3)如何优化电场与布袋之间的气路联接和气流分布,实现布袋除尘区各个滤袋流量和粉尘负荷均布的同时,提高布袋过滤风速。
(4)如何地降低电袋复合除尘器的系统阻力,研究电袋除尘的稳定经济运行的关键技术,包括清灰和温控等问题。
(5)除尘改造为电-袋复合型除尘器的形式为串联式,前级为纯电除尘电场,后级为纯袋除尘结构,改造后电除和袋除区域划分清楚,应用技术成熟,改造技术已应用。
改造后保留的第1电场的电除尘器,能收集烟尘中大部分粉尘,理论收尘效率在80%左右,并使流经该电场未被除去到达后级除尘器的微细粉尘荷电;这就是电-袋复合除尘器的预除尘作用。
后级设置布袋除尘器,使含尘浓度低并预荷电的烟气通过滤袋而被收集下来,由粉尘荷电作用使粉尘同极相斥,使粉尘排序规则有序,从而提高布袋表面分层的孔隙率,提高袋式除尘器的清灰效率,延长滤袋的使用寿命;又有部分细粉尘荷电后异性相互凝并,减缓了细微粉尘攒入袋层,防止布袋被粉尘渗透,降低排尘浓度;总之,粉尘荷电后了滤袋的透气性,降低了设备运行阻力,从而好的节能降耗。
后级布袋除尘器的基本工作过程是:锅炉的烟气因引风机的作用被吸入和通过1级电除尘器后,在负压的作用下均匀而缓慢地穿过滤袋。烟气在穿过滤袋时,固体尘粒被捕集在滤袋的外侧,过滤后的洁净气体经净气室汇集到排风烟道后外排。使用脉冲压缩空气将已捕集在滤袋上的灰尘从滤袋上剥落并使之落入底部的灰斗内,再通过输送设备把灰尘从灰斗内输送出。
随着过滤工况的不断进行,附着于滤袋外表面的粉尘不断增多,气流通过的阻力也不断加大,当阻力达到值时,除尘器的通风能力将会明显下降。为了除尘器除尘效果稳定,我们设置了定时、定压两种清灰系统,该系统的运行由可编程控器(PLC)来完成,整个过程如下:
PLC按的时间间隔发出控制信号,控制脉冲阀开启,压缩气体经喷吹机构逆向进入各滤袋,压缩空气喷射形成二次引流,大量空气随压缩空气进入滤袋,改变滤袋内外的压差,从而滤袋外表面的粉尘,并经过的沉降时间,使清下的灰尘落入灰斗,通过输灰机构派出。
在清灰过程中,一个滤袋的喷吹时间称为清灰时间;全部滤袋完成一个清灰循环的时间为清灰周期,调整清灰时间和清灰周期,可使除尘器阻力保持在限定范围内。改造后的袋式除尘器可设两种清灰方式,其中,定压清灰具有优先权:
定时清灰:是根据设定时间,各室自动轮流清灰;
定压(定阻)清灰:是通过除尘器净、尘气室的压差(运行阻力)来控制PLC,从而进行清灰转换,过程如下:
运行压差→差压变送器→(差压仪表)→PLC→脉冲阀→清灰。除尘器结构如下图:









